Вернуться: 2023-03-03
Imported potentiometer incorporated
Metal housing case
Small-sized

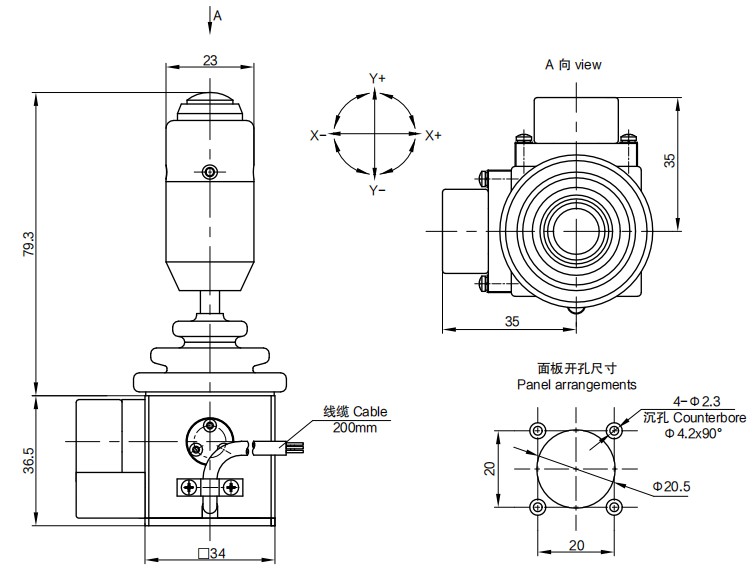
Operating angle
Approx. ±20°(From center position)
Operating force
Approx. 4N~80N
Life expectancy
<5,000,000
Operating temperature
-20℃~+65℃
Storage temperature
-20℃~+65℃
Mass
Approx. 150g
Protection degree
IP65 (Above panel)
Standard resistance value
10K±15%
Independent linearity tolerance
±3%
Resolution
Essentially infinite
Dielectric strength
1 min (500V.A.C.)
Insulation resistance
>1000MΩ (500V.D.C.)
Power rating
0.1W
Electrical angle
Approx. 40°
Electrical specifications (switch)
Push button switch
Rating
48V.D.C. / 0.1A
Electrical life expectancy
1,000,000
Mechanical life expectancy
1,000,000
Insulation resistance
>1000MΩ (500V.D.C.)
Dielectric strength
1min (500V.A.C.)
Color
Red;Black;Green;White;Yellow
Title
VCC;GND;SW;X;Y
Special knob
Customized knob; with push button switch (with light is optional), Details please check "Other optional knobs"
Other special specifications
With DEUTSCH connector (6pin);With control module