Вернуться: 2023-08-08
Magnetic encoders
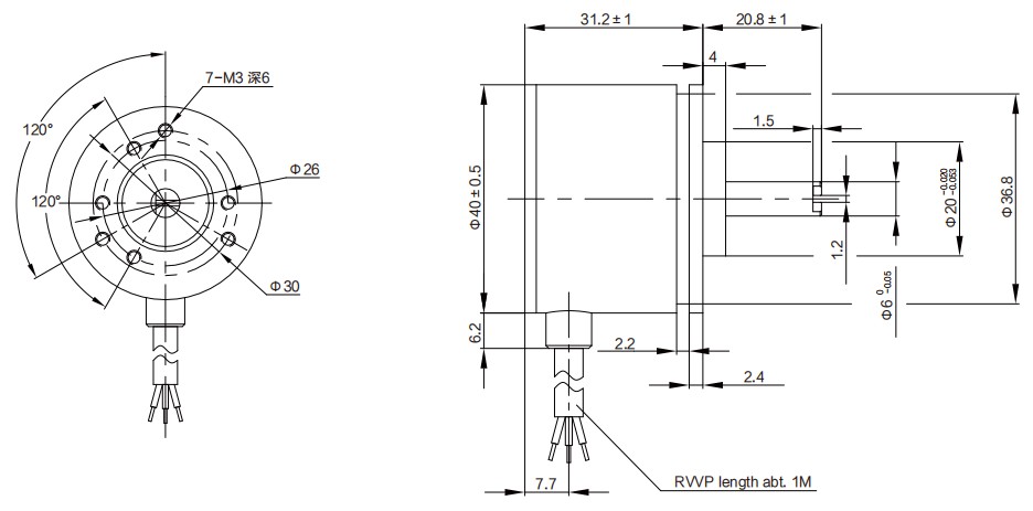
High protection degree IP67
With one couple of precision ball bearings
Output signal: SSI differential signal
Screw&Servo mount

Protection degree
IP67
Staring torque
<1mN·m
Life expectancy
>100,000,000
Mass
Approx.120g
Housing material
Anodized aluminium alloy
Shaft material
Stainless steel
Operating temperature range
-40℃~+85℃
Storage temperature range
-40℃~+85℃
Vibration
100m/s²,55Hz~2000Hz (EN 60068-2-6)
Shock
1000m/s²,6ms (EN 60068-2-27)
ESD durability
Contact discharge ±8KV,Aerial discharge ±15KV,EN61000-4-2:2009
EMS durability
10V/m (80MHz~1GHz,1KHz80% Amplitude modulation),EN61000-4-3:2006+A1:2010
Standard model
EAS40A-S1-W12A
Applied voltage
9V-30V
Current consumption (no-load)
≤80mA
Single-turn resolution
4096 (12 Bit)
Interface
SSI Differential signal
Code rule
Binary
Signal
TTL
Update signal
10μs
Insulation resistance
> 1000MΩ (500V.D.C)
Dielectric strength
1 min (500V.A.C)
Special shaft
Special length of shaft、special diameter or special machining on shaft (like shaft slotted、fatted etc.)