
Standard Resistance Range
1KΩ~50KΩ
Total Resistance Tolerance
Standard Class ±3%(H), Precision Class ±1%(F)
Independent Linearity Tolerance
Standard Class ±0.5%, Precision Class ±0.1% (±0.2% in case of within 2kΩ )
Power Rating
1.5W
Noise
<100Ω E.N.R.
Electrical Travel
355°±3°
Mechanical Travel
360°(Endless)
Insulation Resistance
>100MΩ(1000V.D.C.)
Dielectric Strength
1 minute at 1,000V.A.C.
Starting Torque
<30mN·m(300gf·cm)
Resistance Temperature Coefficient
±20p.p.m./℃
Mass
Approx.500g
Special resistance value
Special lower practical resistance values (50Ω to 500Ω )
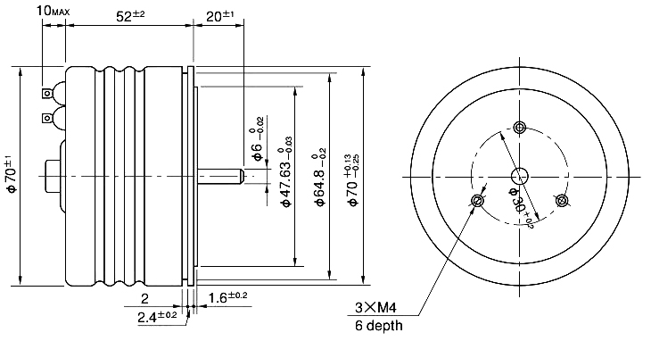
Special shaft type
Shaft dia. (φ 6.35mm) with inch dimension, special machining on the shaft, shaft with front and rear extension (Rear shaft with 6mm dia. and 20mm length)
Special electrical travel
Special electrical travel
Special tap
Extra taps (Available up to 3 taps)
With stopper
Rotating angle is 330° and the stopper strength is 0.9N?m [9kgf?cm]