Time: 2023-01-09
Incorporate contactless potentiometer
Measurement ranges: 1500mm
Output signal: 5K,10K,0~5V,0~10V,4~20mA

Measure stroke
1500mm
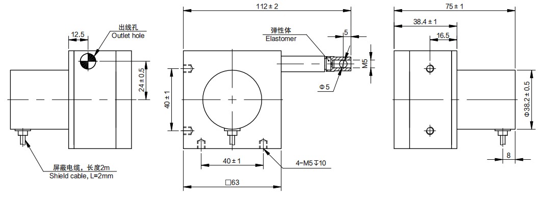
Protection degree
IP54
Tensile force
2N~4N
Mechanical Life expectancy
20,000,000
Mass
Approx.580g
Housing material
Anodized aluminium alloy
Wirerope
0.6mm flexible wire
Max. reciprocating speed
600mm/s
The length of the cable
2m
Operating temperature range
-30℃~+85℃
Storage temperature range
-30℃~+85℃
Shock
10~1500Hz、10G
Vibration
50G
Contactless potentiometer model
SENTOP R22M
Applied voltage
5V±10%
Output signal
0~5V(ratio)
Current consumption (no-load)
<16mA
Output deviation at both ends
<1%·VCC
Load resistance
>100KΩ
Electrical angle
3600º±7°
Independent linearity tolerance
±0.5%
Resolution
4096 (12 Bit)
Update rate
0.3ms
Special specifications
Available for multi-segment output, special cables, high protection degree, etc.