
標準阻值范圍
1KΩ~50KΩ
總阻公差
標準級±3%(H)、精密級±1%(F)
獨立線性公差
標準級±0.5%、精密級±0.1%、如果低于2KΩ,則為±0.2%)
功率
1.5W
信噪
<100Ω E.N.R.
電氣行程
355°±3°
機械行程
360°(連續(xù)旋轉)
絕緣電阻
>100MΩ(1000V.D.C.)
介質耐壓
1分鐘(1000V.A.C.)
啟動力矩
<30mN·m(300gf·cm)
電阻溫度系數
±20p.p.m./℃
質量
約500g
特殊阻值
特低可選阻值(50Ω~500Ω)
特殊軸型
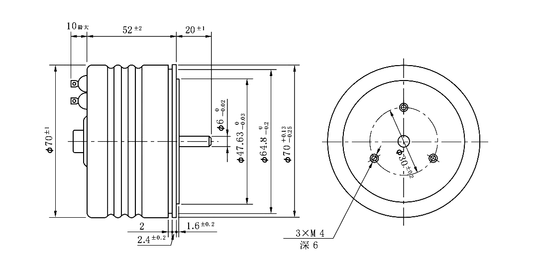
前后出軸(后軸軸徑6mm,軸長20mm)、軸上特殊加工
特殊制式
英制尺寸軸徑(Ø6.35mm)
特殊電氣行程
特殊電氣行程
附加接線端
最多附加3個接線端
無停止位
轉角變成330°,停止耐壓為0.9N·m[9kgf·cm]